LTC7893/LTC7892: 100V Low IQ, Synchronous Boost Controllers for GaN FETs

Power31 Jul 2025
Photo of an electrician working on the power grid
View all articles

The LTC7893/LTC7892 are high-performance, step-up DC-to-DC switching regulator controllers that drive all N-channel synchronous gallium nitride (GaN) field-effect transistor (FET) power stages from output voltages of up to 100V.
 
The LTC7893/LTC7892 solves many of the challenges traditionally faced when using GaN FETs. It simplifies the application design while requiring no protection diodes and no other additional external components compared to a silicon metal-oxide-semiconductor field effect transistor (MOSFET) solution.
 
The Internal smart bootstrap switches prevent overcharging of the BOOSTx pin to the SWx pin the high-side driver supplies during dead times, protecting the gate of the top GaN FET. The dead times of the LTC7893/LTC7892 can optionally be optimized with external resistors for margin or to tailor the application for higher efficiency and allowing for high-frequency operation.
 
The gate drive voltage of the LTC7893/LTC7892 can be precisely adjusted from 4V to 5.5V to optimize performance and allow the use of different GaN FETs or even logic-level MOSFETs. When biased from the boost converter regulator output, the LTC7893/LTC7892 can operate from an input supply as low as 1V after start-up.

Key Features and Benefits

  • GaN Drive Technology fully Optimized for GaN FETs
  • Output Voltage up to 100V
  • Wide VIN Range: 4V to 60V and Operates Down to 1V After Start-Up
  • No Catch, Clamp, or Bootstrap Diodes Needed
  • Internal Smart Bootstrap Switches Prevent Overcharging of High-Side Driver Supplies
  • Resistor Adjustable Dead Times
  • Split Output Gate Drivers for Adjustable Turn-On and Turn-Off Driver Strengths
  • Accurate Adjustable Driver Voltage and UVLO
  • Low Operating IQ: 15μA
  • Programmable Frequency (100kHz to 3MHz)
  • Synchronizable Frequency (100kHz to 3MHz)
  • Spread Spectrum Frequency Modulation
  • 28-Lead (4mm × 5mm), Side Wettable, QFN Package (LTC7893)
  • 40-Lead (6mm × 6mm), Side Wettable, QFN Package (LTC7892)
  • AEC-Q100 Qualified for Automotive Applications

Applications

  • Automotive and Industrial Power Systems
  • Military Avionics and Medical Systems
  • Telecommunications Power Systems

Evaluation Board

The LTC7893/LTC7892 can be evaluated with the EVAL-LTC7893-AZ and the EVAL-LTC7892-BZ, respectively.

Block Diagrams and Tables

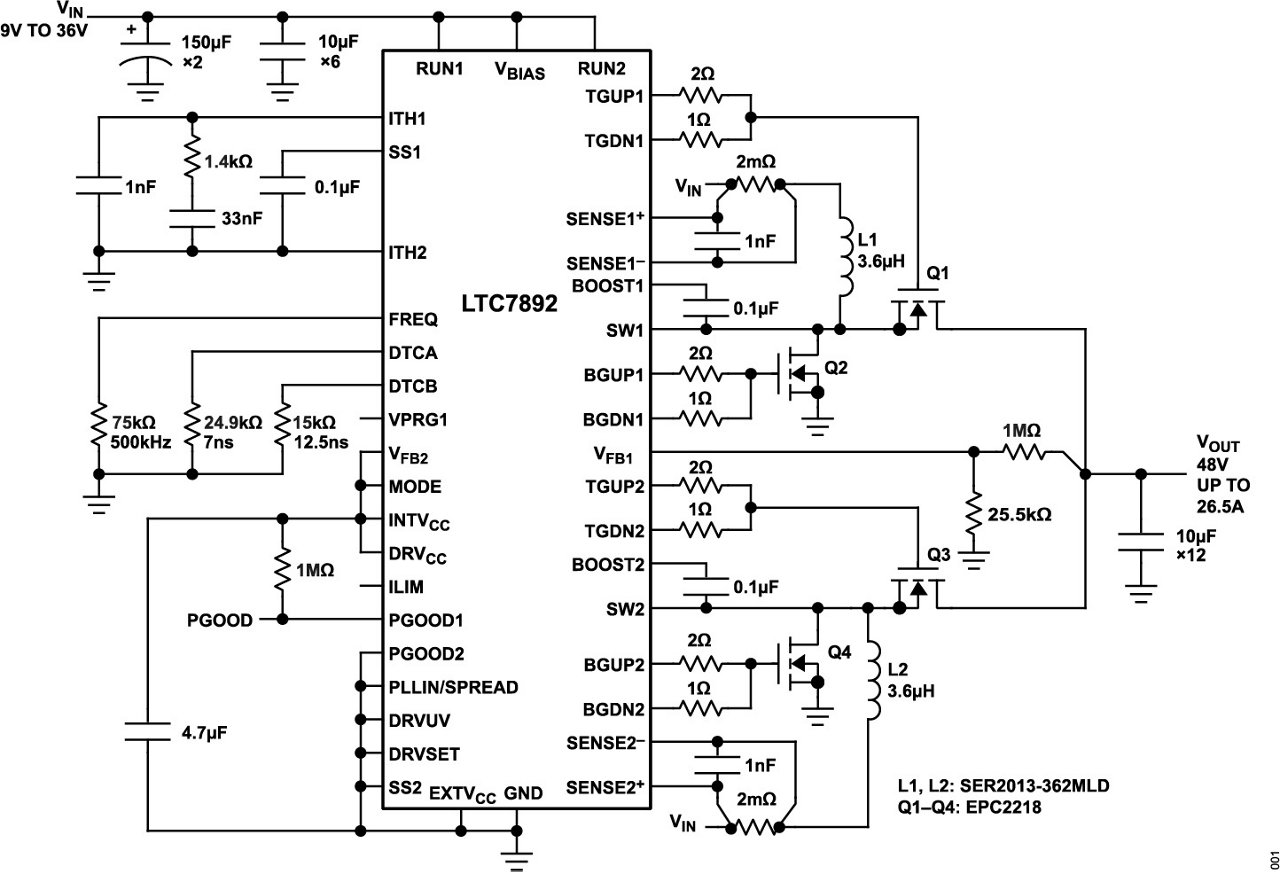
LTC7892 typical application circuit

LTC7892 pin configuration

LTC7892 typical application graph

Featured Parts

Article Tags

Global
Analog Devices
Aerospace & Defense
Automotive & Transportation
Controllers
Medical & Healthcare