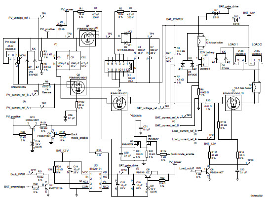
12V, 1-Cell, Lead-Acid Battery Charger for Solar Cell
Referenzdesign unter Verwendung des Teils MPT612FBD48 von NXP Semiconductors
Zugehörige Dokumente
- PMEG6010CEJ SPICE
- PSMN8R2-80YS Thermal Model
- PBSS8110Z SPICE
- PBSS4160T SPICE
- PBSS8110Z SPICE
- PMBT2222 SPICE
- PSMN1R3-30YL Thermal Model
- PMBT2222A SPICE
- PSMN1R3_30YL SPICE
- PSMN1R3_30YL SPICE
- PMBT2222 SPICE
- PSMN1R3-30YL Thermal Model
- PSMN8R2-80YS Thermal Model
- PBSS4160T SPICE
- MMBD4148 SPICE
- PMBT2222A SPICE
- PSMN8R2_80YS SPICE
- PSMN8R2_80YS SPICE
Für Endprodukte
- Solar Cell
Beschreibung
- Photovoltaic MPPT battery charge controller using the MPT612 IC reference board
Haupteigenschaften
-
Battery TypeLead-Acid
-
Input Voltage10 V
-
Output Voltage12 V
-
Number of Battery Cells1
Empfohlene Bauteile (25)
| Teilenummer | Hersteller | Typ | Beschreibung | |||
|---|---|---|---|---|---|---|
|
|
MC33063ADR2G | onsemi | DC to DC Converter and Switching Regulator Chip | Conv DC-DC 3V to 40V Non-Inv/Inv/Step Up/Step Down Single-Out 1.25V to 40V 1.5A 8-Pin SOIC N T/R | In den Warenkorb | |
|
|
LPV324M/NOPB | Texas Instruments | Operational Amplifiers - Op Amps | Op Amp Quad Micropower Amplifier R-R O/P 5V 14-Pin SOIC Tube | In den Warenkorb | |
|
|
LPV324M | Texas Instruments | Operational Amplifiers - Op Amps | Op Amp Quad Micropower Amplifier R-R O/P 5V 14-Pin SOIC Tube | In den Warenkorb | |
|
|
MAX3221CPWRE4 | Texas Instruments | Bus Line Transceivers | Single Transmitter/Receiver RS-232 16-Pin TSSOP T/R | In den Warenkorb | |
|
|
LPV324M/NOPB | Texas Instruments | Operational Amplifiers - Op Amps | Op Amp Quad Micropower Amplifier R-R O/P 5V 14-Pin SOIC Tube | In den Warenkorb | |
|
|
74LVC1G332GW-Q100H | Nexperia | Logic Gates | OR Gate 1-Element 3-IN 6-Pin TSSOP T/R Automotive AEC-Q100 | In den Warenkorb | |
|
|
INA194AIDBVT | Texas Instruments | Special Purpose Amplifiers | SP Amp Current Shunt Monitor Single 18V 5-Pin SOT-23 T/R | In den Warenkorb | |
|
|
MAX3221CPWR | Texas Instruments | Bus Line Transceivers | Single Transmitter/Receiver RS-232 16-Pin TSSOP T/R | In den Warenkorb | |
|
|
MC33063ADR2G | onsemi | DC to DC Converter and Switching Regulator Chip | Conv DC-DC 3V to 40V Non-Inv/Inv/Step Up/Step Down Single-Out 1.25V to 40V 1.5A 8-Pin SOIC N T/R | In den Warenkorb | |
|
|
LPV324MT/NOPB | Texas Instruments | Operational Amplifiers - Op Amps | Op Amp Quad Micropower Amplifier R-R O/P 5V 14-Pin TSSOP Tube | In den Warenkorb | |
|
|
74LVC1G332GW-Q100H | Nexperia | Logic Gates | OR Gate 1-Element 3-IN 6-Pin TSSOP T/R Automotive AEC-Q100 | In den Warenkorb | |
|
|
LPV324MT/NOPB | Texas Instruments | Operational Amplifiers - Op Amps | Op Amp Quad Micropower Amplifier R-R O/P 5V 14-Pin TSSOP Tube | In den Warenkorb | |