5V AC to DC Single Output Power Supply for Power Supply
Referenzdesign unter Verwendung des Teils MIC38C43BN von Microchip Technology
Für Endprodukte
- Power Supplies
Beschreibung
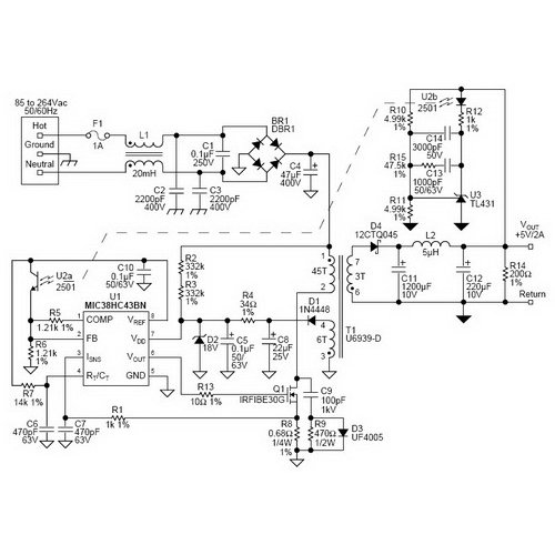
- MIC38C43 is an example of an ultra low-cost, off-line, isolated, discontinuous-mode, flyback power supply using the MIC38C43BN current-mode PWM controller IC
Haupteigenschaften
-
Conversion TypeAC to DC
-
Input Voltage85 to 265 (AC) V
-
Output Voltage5 V
-
Output Current2 A
-
Efficiency80 %
-
TopologyFlyback
Empfohlene Bauteile (15)
| Teilenummer | Hersteller | Typ | Beschreibung | |||
|---|---|---|---|---|---|---|
|
|
TL431AIDR2G | onsemi | Voltage References | V-Ref Adjustable 2.495V to 36V 100mA 8-Pin SOIC N T/R | In den Warenkorb | |
|
|
TL431ACLPRAG | onsemi | Voltage References | V-Ref Adjustable 2.495V to 36V 100mA 3-Pin TO-92 T/R | In den Warenkorb | |
|
|
TL431BIDR2G | onsemi | Voltage References | V-Ref Adjustable 2.495V to 36V 100mA 8-Pin SOIC N T/R | In den Warenkorb | |
|
|
TL431ILPRAG | onsemi | Voltage References | V-Ref Adjustable 2.495V to 36V 100mA 3-Pin TO-92 T/R | In den Warenkorb | |
|
|
TL431BILPRAG | onsemi | Voltage References | V-Ref Adjustable 2.495V to 36V 100mA 3-Pin TO-92 T/R | In den Warenkorb | |
|
|
TL431AIDG | onsemi | Voltage References | V-Ref Adjustable 2.495V to 36V 100mA 8-Pin SOIC N Tube | In den Warenkorb | |
|
|
TL431CDR2G | onsemi | Voltage References | V-Ref Adjustable 2.495V to 36V 100mA 8-Pin SOIC N T/R | In den Warenkorb | |
|
|
TL431AILPG | onsemi | Voltage References | V-Ref Adjustable 2.495V to 36V 100mA 3-Pin TO-92 Bag | In den Warenkorb | |
|
|
TL431ACDR2G | onsemi | Voltage References | V-Ref Adjustable 2.495V to 36V 100mA 8-Pin SOIC N T/R | In den Warenkorb | |
|
|
TL431CLPG | onsemi | Voltage References | V-Ref Adjustable 2.495V to 36V 100mA 3-Pin TO-92 Bag | In den Warenkorb | |
|
|
TL431BVDR2G | onsemi | Voltage References | V-Ref Adjustable 2.495V to 36V 100mA 8-Pin SOIC N T/R | In den Warenkorb | |
|
|
TL431BIDG | onsemi | Voltage References | V-Ref Adjustable 2.495V to 36V 100mA 8-Pin SOIC N Tube | In den Warenkorb | |