AKD4569, Evaluation Board for the AK4569 Audio CODEC with IPGA and HP-Amp
Referenzdesign unter Verwendung des Teils AK4569VN von Asahi Kasei Microdevices Corporation
Für Endprodukte
- Audio Interfaces
Beschreibung
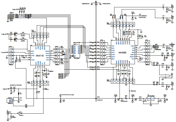
- AKD4569, Evaluation Board for the AK4569 Audio CODEC with IPGA and HP-amp. The AKD4569 can evaluate A/D and D/A in addition to A/D to D/A loopback mode. The AKD4569 also has the digital audio interface and can achieve the interface with digital audio systems via opt-connector
Haupteigenschaften
-
CODEC Resolution20 Bit
Empfohlene Bauteile (8)
| Teilenummer | Hersteller | Typ | Beschreibung | |||
|---|---|---|---|---|---|---|
|
|
74LVC541APW-Q100J | Nexperia | Buffers and Line Drivers | Buffer/Line Driver 8-CH Non-Inverting 3-ST 20-Pin TSSOP T/R Automotive AEC-Q100 | In den Warenkorb | |
|
|
74LVC541APW,118 | Nexperia | Buffers and Line Drivers | Buffer/Line Driver 8-CH Non-Inverting 3-ST 20-Pin TSSOP T/R | In den Warenkorb | |
|
|
74LVC541APW,118 | Nexperia | Buffers and Line Drivers | Buffer/Line Driver 8-CH Non-Inverting 3-ST 20-Pin TSSOP T/R | In den Warenkorb | |
|
|
74LVC541ABQ-Q100X | Nexperia | Buffers and Line Drivers | Buffer/Line Driver 8-CH Non-Inverting 3-ST 20-Pin DHVQFN EP T/R Automotive AEC-Q100 | In den Warenkorb | |
|
|
74LVC541AD,118 | Nexperia | Buffers and Line Drivers | Buffer/Line Driver 8-CH Non-Inverting 3-ST 20-Pin SO T/R | In den Warenkorb | |
|
|
74LVC541ABQ-Q100X | Nexperia | Buffers and Line Drivers | Buffer/Line Driver 8-CH Non-Inverting 3-ST 20-Pin DHVQFN EP T/R Automotive AEC-Q100 | In den Warenkorb | |
|
|
74LVC541ABQ,115 | Nexperia | Buffers and Line Drivers | Buffer/Line Driver 8-CH Non-Inverting 3-ST 20-Pin DHVQFN EP T/R | In den Warenkorb | |
|
|
74LVC541AD-Q100J | Nexperia | Buffers and Line Drivers | Buffer/Line Driver 8-CH Non-Inverting 3-ST 20-Pin SO T/R Automotive AEC-Q100 | In den Warenkorb | |