AND8073/D, Demo Board Using the NCN6000 Smart Card Interface

Referenzdesign unter Verwendung des Teils NCN6000DTB von onsemi

Hersteller

onsemi
  • Anwendungskategorie
    Schnittstelle
  • Produkttyp
    Adapterkarte

Beschreibung

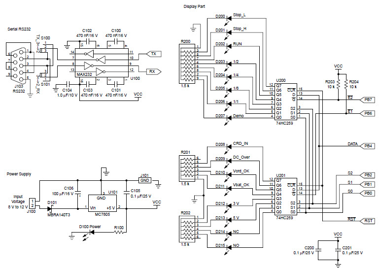
  • AND8073/D, Demo Board Using the NCN6000 Smart Card Interface. The demo board comes fully assembled, ready to operate on a 5 + 3 inches board. Included are all the functions needed to evaluate the NCN6000 integrated circuit. The board requires only external DC 8 to 12 Volts 500 mA stabilized power supply

Haupteigenschaften

  • Supply Voltage
    Single(3) V

Aktuelles über Elektronikkomponenten­

Wir haben unsere Datenschutzbestimmungen aktualisiert. Bitte nehmen Sie sich einen Moment Zeit, diese Änderungen zu überprüfen. Mit einem Klick auf "Ich stimme zu", stimmen Sie den Datenschutz- und Nutzungsbedingungen von Arrow Electronics zu.

Wir verwenden Cookies, um den Anwendernutzen zu vergrößern und unsere Webseite zu optimieren. Mehr über Cookies und wie man sie abschaltet finden Sie hier. Cookies und tracking Technologien können für Marketingzwecke verwendet werden.
Durch Klicken von „RICHTLINIEN AKZEPTIEREN“ stimmen Sie der Verwendung von Cookies auf Ihrem Endgerät und der Verwendung von tracking Technologien zu. Klicken Sie auf „MEHR INFORMATIONEN“ unten für mehr Informationen und Anleitungen wie man Cookies und tracking Technologien abschaltet. Das Akzeptieren von Cookies und tracking Technologien ist zwar freiwillig, das Blockieren kann aber eine korrekte Ausführung unserer Website verhindern, und bestimmte Werbung könnte für Sie weniger relevant sein.
Ihr Datenschutz ist uns wichtig. Lesen Sie mehr über unsere Datenschutzrichtlinien hier.