Filter
| Beschreibung | Freigegeben von | Für Anwendung | Für Endprodukte | |||
|---|---|---|---|---|---|---|
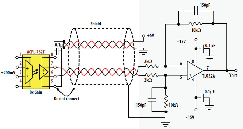
AN-246Part of Programmable Voltage Reference Amplifier Passes Transducer Signals |
Analog Devices | Isolation | Strain Gauge, Thermocouple, Isolated Thermocouple | |||
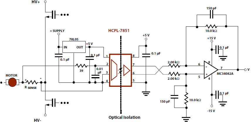
AN-1896Designing with HCPL-7851 Optocoupler, High performance Hermetic Analog Isolation Amplifier |
Broadcom Inc | Isolation | Motion Motor Control, DC Motor, 3-Phase AC Motor | |||
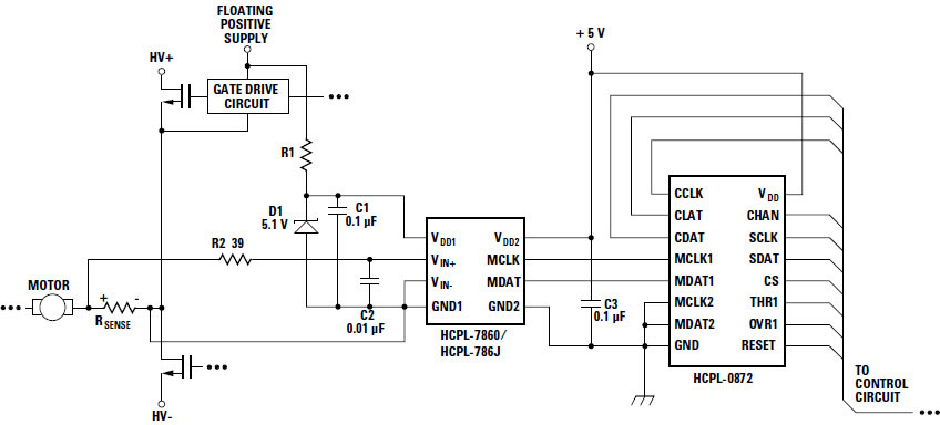
AN-1790 |
Broadcom Inc | Isolation | Hybrid Electric Vehicle | |||
EVAL-ADUM3190EBZEVAL-ADUM3190EBZ, Evaluation Board based on ADuM3190 iCoupler, Isolated Error Amplifier |
Analog Devices | Isolation | UPS Power Supply, Motion Control, Inverters | |||
AN-246 |
Analog Devices | Isolation | Strain Gauge, Thermocouple, Isolated Thermocouple | |||
EVAL-ADUM3190SEVAL-ADUM3190S, Evaluation Board based on ADuM3190S iCoupler, Isolated Error Amplifier |
Analog Devices | Isolation | UPS Power Supply, Motion Control, Inverters | |||
TLP7820_Application Note |
Toshiba | Isolation | Motor Inverter System, Current Sensing | |||
AN-1896Designing with HCPL-7851 High performance Hermetic Analog Isolation Amplifier for Current Sensing |
Broadcom Inc | Isolation | Motion Motor Control, DC Motor, 3-Phase AC Motor | |||
AN-1896Designing with HCPL-7851 High performance Hermetic Analog Isolation Amplifier for Voltage Sensing |
Broadcom Inc | Isolation | Motion Motor Control, DC Motor, 3-Phase AC Motor | |||
RD014Application Circuit (Voltage Sensing) of the TLP7820 Isolation Amplifier |
Toshiba | Isolation | UPS Power Supply, Office Equipments, Robots, Servo Amplifier, Inverters, Server Power Supply, High-Capacity Power Supply, Industrial Motor Applications, Machine Tools, Wind Power, Industrial Storage Battery System, Housing Equipment, Home Storage Battery System | |||
AN-1790 |
Broadcom Inc | Isolation | Hybrid Electric Vehicle | |||
AN-1896Designing with HCPL-7851 High performance Hermetic Analog Isolation Amplifier |
Broadcom Inc | Isolation | Motion Motor Control, DC Motor, 3-Phase AC Motor | |||
AN-5121Isolation Amplifiers and Hall-Effect Device for Motor Control Current Sensing Applications |
Broadcom Inc | Isolation | Motion Motor Control, 3-Phase AC Motor | |||
AN-246Dual Currents and Ground Servo Amplifier Passes Transducer Signals |
Analog Devices | Isolation | Strain Gauge, Thermocouple, Isolated Thermocouple | |||
RD005Application Circuit (Voltage Sensing) of the TLP7920 Isolation Amplifier |
Toshiba | Isolation | UPS Power Supply, Office Equipments, Robots, Servo Amplifier, Inverters, Server Power Supply, High-Capacity Power Supply, Industrial Motor Applications, Machine Tools, Wind Power, Industrial Storage Battery System, Housing Equipment, Home Storage Battery System | |||
RD004Application Circuit (Current Sensing) of the TLP7920 Isolation Amplifier |
Toshiba | Isolation | UPS Power Supply, Office Equipments, Robots, Servo Amplifier, Inverters, Server Power Supply, High-Capacity Power Supply, Industrial Motor Applications, Machine Tools, Wind Power, Industrial Storage Battery System, Housing Equipment, Home Storage Battery System | |||
RD013Application Circuit (Current Sensing) of the TLP7820 Isolation Amplifier |
Toshiba | Isolation | UPS Power Supply, Office Equipments, Robots, Servo Amplifier, Inverters, Server Power Supply, High-Capacity Power Supply, Industrial Motor Applications, Machine Tools, Wind Power, Industrial Storage Battery System, Housing Equipment, Home Storage Battery System | |||