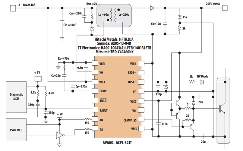
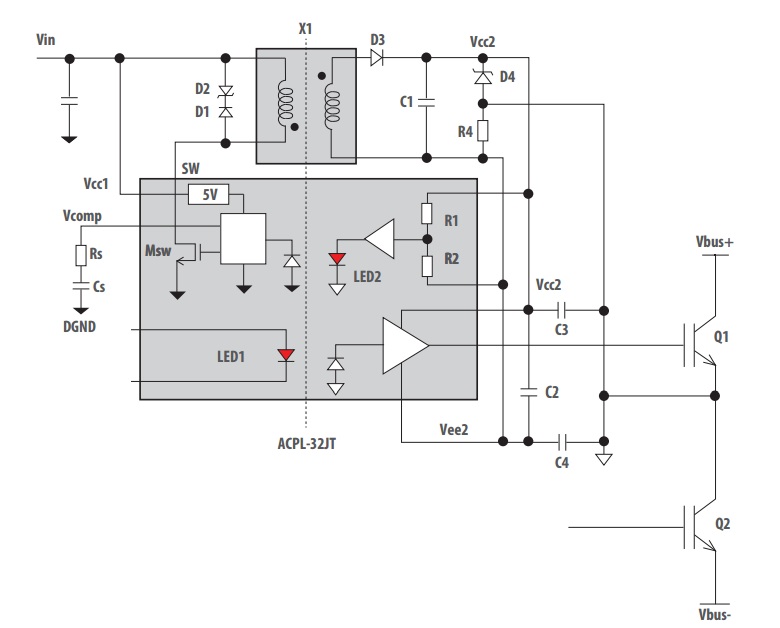
Design of Isolated Flyback Converter for IGBT Gate Driver in HEV/EV Powertrain Inverter using ACPL-32JT

Referenzdesign unter Verwendung des Teils ACPL-32JT von Broadcom Inc

Hersteller

Broadcom Inc
  • Anwendungskategorie
    Leistungstreiber
  • Produkttyp
    MOSFET-Leistungstreiber

Für Endprodukte

  • HEV-EV main inverter

Beschreibung

  • Design of Isolated Flyback Converter for IGBT Gate Driver in HEV/EV Powertrain Inverter using ACPL-32JT.Isolated IGBT gate driver requires isolated power supply for safety isolation and level shifting. Unfortunately design of isolated power supply based on standard power control IC is not trivial. Special knowledge and significant verification efforts are required to customize the solution with discrete components which occupy large board space and increase probability of components failure. It is more desirable to integrate power conversion feature into gate driver for ease of design, small footprint and high reliability

Haupteigenschaften

  • Input Voltage
    8 to 18 V
  • Output Voltage
    20 V

Aktuelles über Elektronikkomponenten­

Wir haben unsere Datenschutzbestimmungen aktualisiert. Bitte nehmen Sie sich einen Moment Zeit, diese Änderungen zu überprüfen. Mit einem Klick auf "Ich stimme zu", stimmen Sie den Datenschutz- und Nutzungsbedingungen von Arrow Electronics zu.

Wir verwenden Cookies, um den Anwendernutzen zu vergrößern und unsere Webseite zu optimieren. Mehr über Cookies und wie man sie abschaltet finden Sie hier. Cookies und tracking Technologien können für Marketingzwecke verwendet werden.
Durch Klicken von „RICHTLINIEN AKZEPTIEREN“ stimmen Sie der Verwendung von Cookies auf Ihrem Endgerät und der Verwendung von tracking Technologien zu. Klicken Sie auf „MEHR INFORMATIONEN“ unten für mehr Informationen und Anleitungen wie man Cookies und tracking Technologien abschaltet. Das Akzeptieren von Cookies und tracking Technologien ist zwar freiwillig, das Blockieren kann aber eine korrekte Ausführung unserer Website verhindern, und bestimmte Werbung könnte für Sie weniger relevant sein.
Ihr Datenschutz ist uns wichtig. Lesen Sie mehr über unsere Datenschutzrichtlinien hier.