DK-DEV-4SGX230NES, Stratix IV GX FPGA Development Board provides a hardware platform for developing and prototyping low-power
Referenzdesign unter Verwendung des Teils EP4SGX230KF40C2N von Intel
Zugehörige Dokumente
Für Endprodukte
- Industrial Networking
Beschreibung
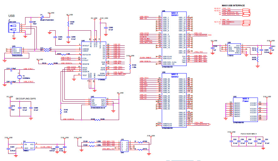
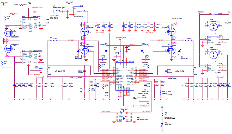
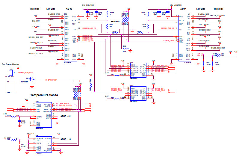
- DK-DEV-4SGX230NES, Stratix IV GX FPGA Development Board provides a hardware platform for developing and prototyping low-power, high-performance and logic-intensive designs. The board provides a wide range of peripherals and memory interfaces to facilitate the development of the Stratix IV GX FPGA designs
Haupteigenschaften
-
Embedded System TypeFPGA
-
Family NameStratix IV GX
Empfohlene Bauteile (35)
| Teilenummer | Hersteller | Typ | Beschreibung | |||
|---|---|---|---|---|---|---|
|
|
LMH0344SQX/NOPB | Texas Instruments | Specialized Interfaces | HD/SD SDI Adaptive Cable Equalizer 16-Pin WQFN EP T/R | In den Warenkorb | |
|
|
CY7C15632KV18-400BZXC | Infineon Technologies AG | SRAM Chip | SRAM Chip Sync Dual 1.8V 72M-bit 4M x 18 0.45ns 165-Pin FBGA Tray | In den Warenkorb | |
|
|
AT93C46DN-SH-B | Microchip Technology | EEPROM | EEPROM Serial-3Wire 1K-bit 128 x 8/64 x 16 2.5V/3.3V/5V Automotive 8-Pin SOIC Tube | In den Warenkorb | |
|
|
94HCB16WT | Grayhill | Switch DIP | Switch DIP N.O./N.C. SP16T 16 Knob 0.03A 30VDC Gull Wing 10000Cycles 2.54mm SMD Tube | In den Warenkorb | |
|
|
TPS51100DGQR | Texas Instruments | Special Purpose Voltage Regulators | DDR Memory Termination Regulator 4.75V-5.25V 10-Pin HVSSOP EP T/R | In den Warenkorb | |
|
|
TPS51100DGQ | Texas Instruments | Special Purpose Voltage Regulators | DDR Memory Termination Regulator 4.75V-5.25V 10-Pin HVSSOP EP Tube | In den Warenkorb | |
|
|
947705-012 | Grayhill | Switch Accessories | Switch Access Round Knob Rotary DIP Switch Tube | In den Warenkorb | |
|
|
ADG3304BRUZ | Analog Devices | Level Translators | Voltage Level Translator 4-CH Bidirectional 14-Pin TSSOP Tube | In den Warenkorb | |
|
|
IS61VPS51236A-250B3L-TR | Integrated Silicon Solution Inc | SRAM Chip | SRAM Chip Sync Quad 2.5V 18M-bit 512K x 36 2.6ns 165-Pin BGA T/R | In den Warenkorb | |
|
|
LCM-S01602DSR/C | Lumex | LCD Character Modules | Character Display STN Reflective 16Char x 2Line | In den Warenkorb | |
|
|
CY7C15632KV18-450BZXC | Infineon Technologies AG | SRAM Chip | SRAM Chip Sync Dual 1.8V 72M-bit 4M x 18 0.45ns 165-Pin FBGA Tray | In den Warenkorb | |
|
|
CY7C15632KV18-450BZXC | Infineon Technologies AG | SRAM Chip | SRAM Chip Sync Dual 1.8V 72M-bit 4M x 18 0.45ns 165-Pin FBGA Tray | In den Warenkorb | |