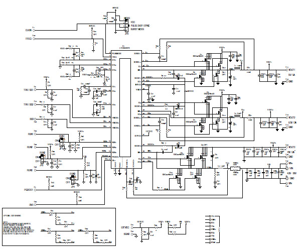
LTC3859A Demo Board, Low IQ, Triple Output, Buck/Buck/Boost Synchronous Controller

Referenzdesign unter Verwendung des Teils LTC3859EFE von Analog Devices

Hersteller

Analog Devices
  • Anwendungskategorie
    Spannungsversorgungen
  • Produkttyp
    Mehrfach Gleichspannungs Netzteil

Für Endprodukte

  • Automotive and Transportation
  • Battery Management
  • Distributed Control System

Beschreibung

  • Demonstration circuit DC1425A is a triple output synchronous step-up/dual step-down supply featuring the LTC3859EFE. The demonstration circuit is designed for two buck 5V/5A, 8.5V/3A outputs supplied by a boost 10V/7A output

Haupteigenschaften

  • Conversion Type
    DC to DC
  • Input Voltage
    4.5 to 36 V
  • Output Voltage
    5|8.5|10 V
  • Output Current
    0 to 3@8.5V|0 to 5@5V|0 to 7@10V A
  • Efficiency
    97.8 %
  • Topology
    Buck

Aktuelles über Elektronikkomponenten­

Wir haben unsere Datenschutzbestimmungen aktualisiert. Bitte nehmen Sie sich einen Moment Zeit, diese Änderungen zu überprüfen. Mit einem Klick auf "Ich stimme zu", stimmen Sie den Datenschutz- und Nutzungsbedingungen von Arrow Electronics zu.

Wir verwenden Cookies, um den Anwendernutzen zu vergrößern und unsere Webseite zu optimieren. Mehr über Cookies und wie man sie abschaltet finden Sie hier. Cookies und tracking Technologien können für Marketingzwecke verwendet werden.
Durch Klicken von „RICHTLINIEN AKZEPTIEREN“ stimmen Sie der Verwendung von Cookies auf Ihrem Endgerät und der Verwendung von tracking Technologien zu. Klicken Sie auf „MEHR INFORMATIONEN“ unten für mehr Informationen und Anleitungen wie man Cookies und tracking Technologien abschaltet. Das Akzeptieren von Cookies und tracking Technologien ist zwar freiwillig, das Blockieren kann aber eine korrekte Ausführung unserer Website verhindern, und bestimmte Werbung könnte für Sie weniger relevant sein.
Ihr Datenschutz ist uns wichtig. Lesen Sie mehr über unsere Datenschutzrichtlinien hier.