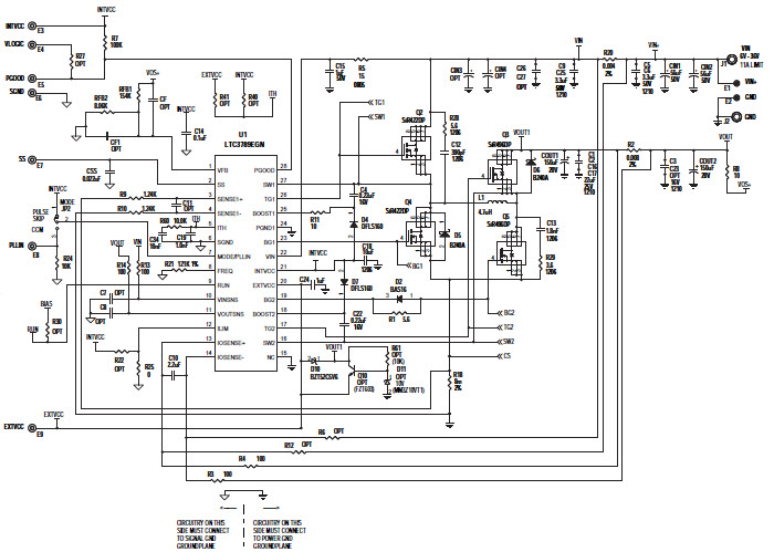
LTC4000EGN/LTC3789EGN Demo Board, 14.6V, 5A Battery Charger with 6VIN to 36VIN Buck-Boost Converter

Referenzdesign unter Verwendung des Teils LTC4000EGN#PBF von Analog Devices

Hersteller

Analog Devices
  • Anwendungskategorie
    Batteriemanagement
  • Produkttyp
    Akkuladegeräte

Zugehörige Dokumente

Für Endprodukte

  • Industrial
  • Laptop
  • Notebook
  • Portable

Beschreibung

  • Demonstration circuit DC1721A is a 14.6V, 5A battery charger and PowerPath manager with 6VIN to 36VIN buck-boost converter featuring the LTC4000/LTC3789, targeted at 4-cell LiFePO4 applications. The output of this demo board was specifically tailored for a Energy 10A-hour battery, P/N 30207

Haupteigenschaften

  • Battery Type
    LiFePO4
  • Input Voltage
    6 to 36 V
  • Output Voltage
    12.3 to 15.5 V
  • Number of Battery Cells
    4

Aktuelles über Elektronikkomponenten­

Wir haben unsere Datenschutzbestimmungen aktualisiert. Bitte nehmen Sie sich einen Moment Zeit, diese Änderungen zu überprüfen. Mit einem Klick auf "Ich stimme zu", stimmen Sie den Datenschutz- und Nutzungsbedingungen von Arrow Electronics zu.

Wir verwenden Cookies, um den Anwendernutzen zu vergrößern und unsere Webseite zu optimieren. Mehr über Cookies und wie man sie abschaltet finden Sie hier. Cookies und tracking Technologien können für Marketingzwecke verwendet werden.
Durch Klicken von „RICHTLINIEN AKZEPTIEREN“ stimmen Sie der Verwendung von Cookies auf Ihrem Endgerät und der Verwendung von tracking Technologien zu. Klicken Sie auf „MEHR INFORMATIONEN“ unten für mehr Informationen und Anleitungen wie man Cookies und tracking Technologien abschaltet. Das Akzeptieren von Cookies und tracking Technologien ist zwar freiwillig, das Blockieren kann aber eine korrekte Ausführung unserer Website verhindern, und bestimmte Werbung könnte für Sie weniger relevant sein.
Ihr Datenschutz ist uns wichtig. Lesen Sie mehr über unsere Datenschutzrichtlinien hier.