MAX12557, 14-Bit High Resolution, High Speed Data-Converter Analog-Input Section

Referenzdesign unter Verwendung des Teils MAX12559 von Analog Devices

Hersteller

Analog Devices
  • Anwendungskategorie
    Datenkonvertierung
  • Produkttyp
    Analog zu Digital Wandlung

Zugehörige Dokumente

Für Endprodukte

  • Cellular Phone
  • Communications and Telecom
  • Data Acquisition System
  • Instrumentation and Measurement
  • Medical Imaging
  • Microwave point-to-point
  • Set-Top Box

Beschreibung

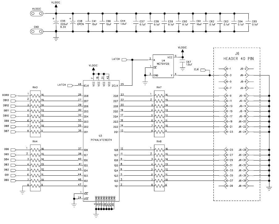
  • MAX12557, 14-Bit High Resolution, High Speed Data-Converter Analog-Input Section, Digital A Output, Digital B Output and Clock Circuitry

Haupteigenschaften

  • ADC Resolution
    14 Bit
  • ADC Sampling Rate
    65M SPS

Aktuelles über Elektronikkomponenten­

Wir haben unsere Datenschutzbestimmungen aktualisiert. Bitte nehmen Sie sich einen Moment Zeit, diese Änderungen zu überprüfen. Mit einem Klick auf "Ich stimme zu", stimmen Sie den Datenschutz- und Nutzungsbedingungen von Arrow Electronics zu.

Wir verwenden Cookies, um den Anwendernutzen zu vergrößern und unsere Webseite zu optimieren. Mehr über Cookies und wie man sie abschaltet finden Sie hier. Cookies und tracking Technologien können für Marketingzwecke verwendet werden.
Durch Klicken von „RICHTLINIEN AKZEPTIEREN“ stimmen Sie der Verwendung von Cookies auf Ihrem Endgerät und der Verwendung von tracking Technologien zu. Klicken Sie auf „MEHR INFORMATIONEN“ unten für mehr Informationen und Anleitungen wie man Cookies und tracking Technologien abschaltet. Das Akzeptieren von Cookies und tracking Technologien ist zwar freiwillig, das Blockieren kann aber eine korrekte Ausführung unserer Website verhindern, und bestimmte Werbung könnte für Sie weniger relevant sein.
Ihr Datenschutz ist uns wichtig. Lesen Sie mehr über unsere Datenschutzrichtlinien hier.