STEVAL-BCNKT01V1, BlueCoin Starter Kit integrated Development and Prototyping platform for Augmented Acoustic, Motion Sensing for IoT Applications
Referenzdesign unter Verwendung des Teils BLUENRG-MSCSP von STMicroelectronics
Für Endprodukte
- Automation Applications
- IoT Applications
- Robotics
Beschreibung
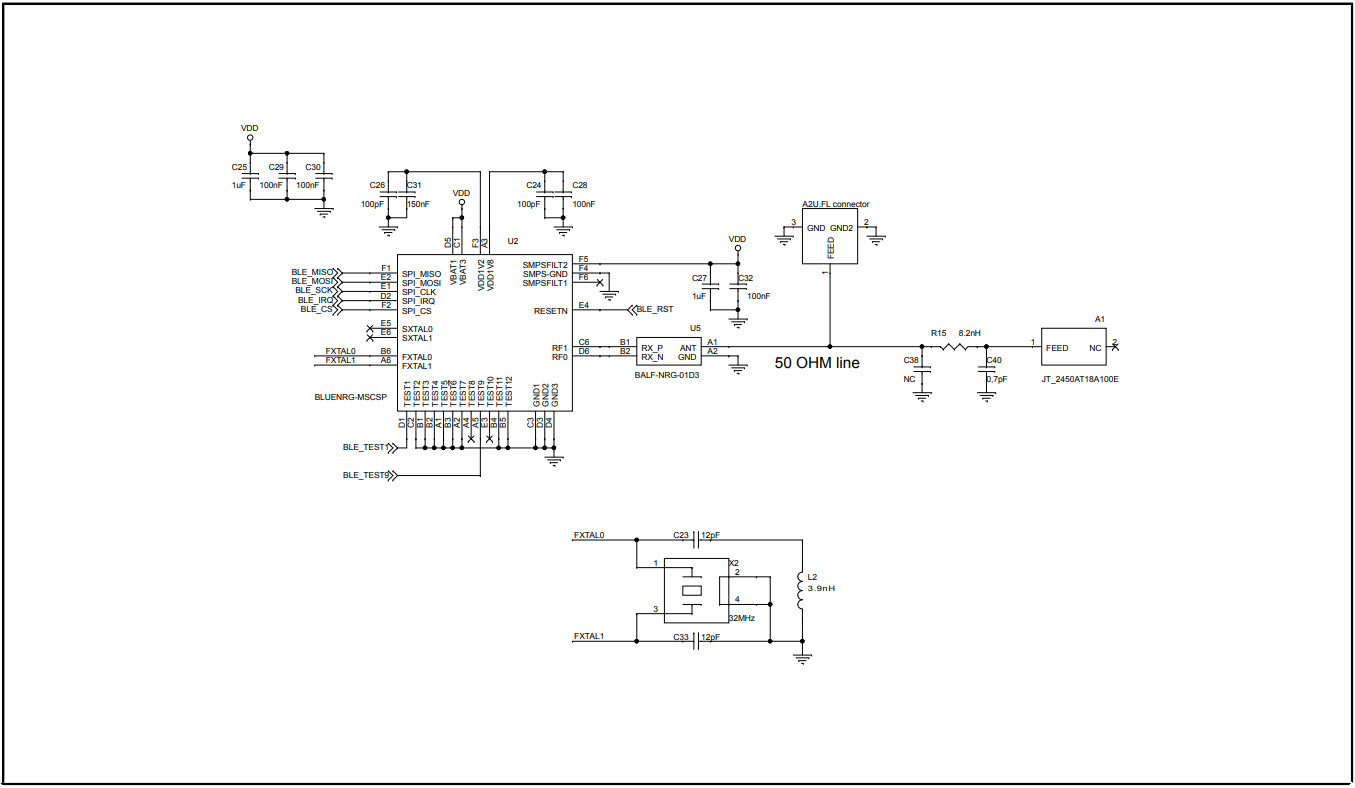
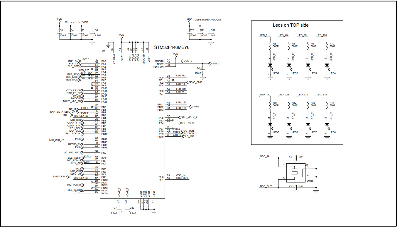
- STEVAL-BCNKT01V1, BlueCoin Starter Kit integrated development and prototyping platform for augmented acoustic and motion sensing for IoT Applications builds on the listening and balancing capabilities of the human ear. With the expanded capabilities of its starter kit, BlueCoin lets you explore advanced sensor fusion and signal processing functions for robotics and automation applications with a 4 digital MEMS microphone array, a high performance 9-axis inertial and environmental sensor unit and time-of-flight ranging sensors. A high-performance STM32F446 180 MHz MCU enables real-time implementation of the very advanced sensor fusion algorithms like adaptive beamforming and sound source localization, with ready-to-use, royalty-free building blocks. The BlueCoin can connect via the on-board BLE link to any IoT and smart industry wireless sensor network
Empfohlene Bauteile (19)
| Teilenummer | Hersteller | Typ | Beschreibung | |||
|---|---|---|---|---|---|---|
|
|
ST1S12G18R | STMicroelectronics | DC to DC Converter and Switching Regulator Chip | Conv DC-DC 2.5V to 5.5V Synchronous Step Down Single-Out 1.8V 0.7A 5-Pin TSOT-23 T/R | In den Warenkorb | |
|
|
LDK120M-R | STMicroelectronics | Linear Regulators | LDO Regulator Pos 0.8V 0.2A 5-Pin SOT-23 T/R | In den Warenkorb | |
|
|
LSM303AGRUSTR | STMicroelectronics | Specialized Sensors | eCompass Module Digital Output 1.8V/2.5V/3.3V 12-Pin LGA T/R | In den Warenkorb | |
|
|
NX2520SA-16.000000MHZ-W1 | NIHON DEMPA KOGYO CO., LTD | Crystals | Crystal 16MHz ±20ppm (Tol) ±20ppm (Stability) 8pF FUND 120Ohm 4-Pin SMD | In den Warenkorb | |
|
|
ST1S12GRT | STMicroelectronics | DC to DC Converter and Switching Regulator Chip | Conv DC-DC 2.5V to 5.5V Synchronous Step Down Single-Out 0.7A 5-Pin TSOT-23 T/R | In den Warenkorb | |
|
|
LSM303AGR | STMicroelectronics | Specialized Sensors | eCompass Module Digital Output 1.8V/2.5V/3.3V 12-Pin LGA T/R | In den Warenkorb | |
|
|
ST1S12G12R | STMicroelectronics | DC to DC Converter and Switching Regulator Chip | Conv DC-DC 2.5V to 5.5V Synchronous Step Down Single-Out 1.2V 0.7A 5-Pin TSOT-23 T/R | In den Warenkorb | |
|
|
PCM1774RGPRG4 | Texas Instruments | Digital to Analog Converters - DACs | DAC 2-CH Delta-Sigma 16-bit 20-Pin VQFN EP T/R | In den Warenkorb | |
|
|
LSM6DSMUSTR | STMicroelectronics | Specialized Sensors | Accelerometer and Gyroscope Digital Output 1.8V 14-Pin VLGA T/R | In den Warenkorb | |
|
|
LPS22HB | STMicroelectronics | Board Mount Pressure Sensors | Pressure Sensor 26kPa to 126kPa Absolute 10-Pin HLGA Tray | In den Warenkorb | |
|
|
LPS22HBTR | STMicroelectronics | Board Mount Pressure Sensors | Pressure Sensor 26kPa to 126kPa Absolute 10-Pin HLGA T/R | In den Warenkorb | |
|
|
ST1S12GR | STMicroelectronics | DC to DC Converter and Switching Regulator Chip | Conv DC-DC 2.5V to 5.5V Synchronous Step Down Single-Out 0.7A 5-Pin TSOT-23 T/R | In den Warenkorb | |