DC718C, USB based Windows PC hosted digital data acquisition system, ADC demonstration board
Referenzdesign unter Verwendung des Teils LT1763CS8-3.3#PBF von Analog Devices
Zugehörige Dokumente
Für Endprodukte
- Cellular Phone
- Electrocardiograph Battery Powered
Beschreibung
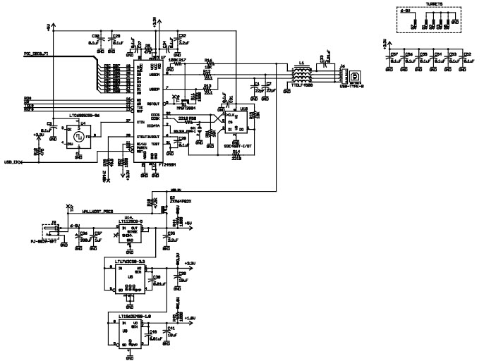
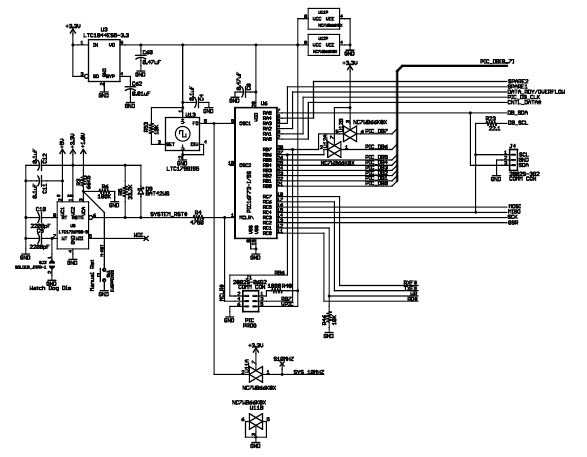
- DC718C, Demonstration Board provides a USB based Windows PC hosted digital data acquisition system supporting CMOS/LVTTL output ADCs up to 135Msps. The DC718 can be powered from either the USB port or from an external 6VDC to 9VDC power supply. This system provides for fast and easy performance evaluation of high speed ADCs by collecting up to 128k word samples and then performing various analyses on the data
Haupteigenschaften
-
Conversion TypeDC to DC
Empfohlene Bauteile (11)
| Teilenummer | Hersteller | Typ | Beschreibung | |||
|---|---|---|---|---|---|---|
|
|
LTC1844ES5-3.3#PBF | Analog Devices | Linear Regulators | LDO Regulator Pos 3.3V 0.15A 5-Pin TSOT-23 T/R | In den Warenkorb | |
|
|
LTC1799IS5#PBF | Analog Devices | Silicon Oscillators | Silicon Oscillator - 0.001MHz to 33MHz CMOS 5-Pin TSOT-23 T/R | In den Warenkorb | |
|
|
LT1962EMS8-1.8#PBF | Analog Devices | Linear Regulators | LDO Regulator Pos 1.8V 0.3A 8-Pin MSOP Tube | In den Warenkorb | |
|
|
LT1129CQ-5#PBF | Analog Devices | Linear Regulators | LDO Regulator Pos 5V 0.7A 6-Pin(5+Tab) DDPAK Tube | In den Warenkorb | |
|
|
LT1129CQ-5#TR | Analog Devices | Linear Regulators | LDO Regulator Pos 5V 0.7A 6-Pin(5+Tab) DDPAK T/R | In den Warenkorb | |
|
|
93C46BT-I/OT | Microchip Technology | EEPROM | EEPROM Serial-Microwire 1K-bit 64 x 16 5V 6-Pin SOT-23 T/R | In den Warenkorb | |
|
|
LT1129CQ-5 | Analog Devices | Linear Regulators | LDO Regulator Pos 5V 0.7A 6-Pin(5+Tab) DDPAK | In den Warenkorb | |
|
|
PIC16F73-I/SS | Microchip Technology | Microcontrollers - MCUs | MCU 8-bit PIC RISC 7KB Flash 5V 28-Pin SSOP Tube | In den Warenkorb | |
|
|
LTC1726EMS8-5#PBF | Analog Devices | Supervisory Circuits | Processor Supervisor 3.085V/4.675V/Adj 3 Active Low/Open Drain 8-Pin MSOP Tube | In den Warenkorb | |
|
|
LT1129CQ-5#TRPBF | Analog Devices | Linear Regulators | LDO Regulator Pos 5V 0.7A 6-Pin(5+Tab) DDPAK T/R | In den Warenkorb | |
|
|
LT1763CS8-3.3#PBF | Analog Devices | Linear Regulators | LDO Regulator Pos 3.3V 0.5A 8-Pin SOIC N Tube | In den Warenkorb | |