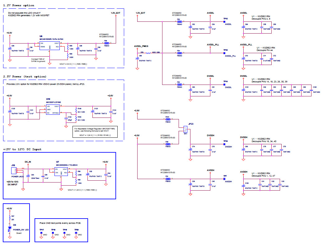
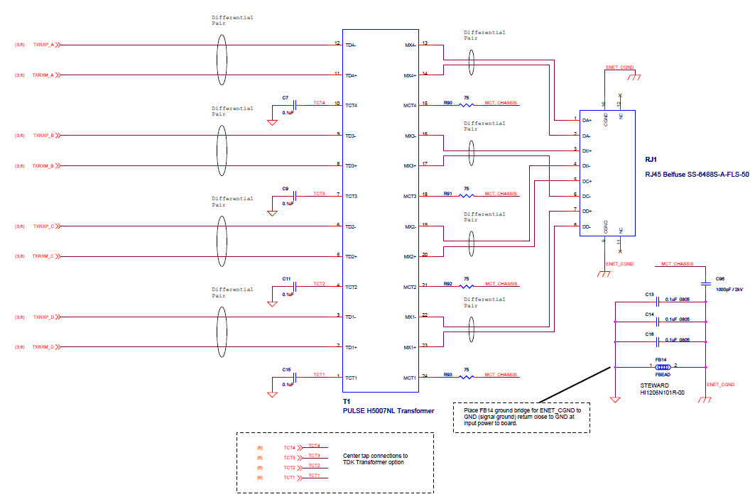
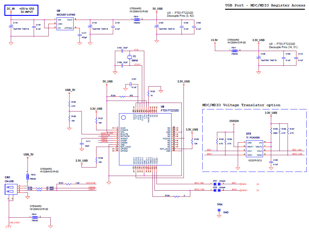
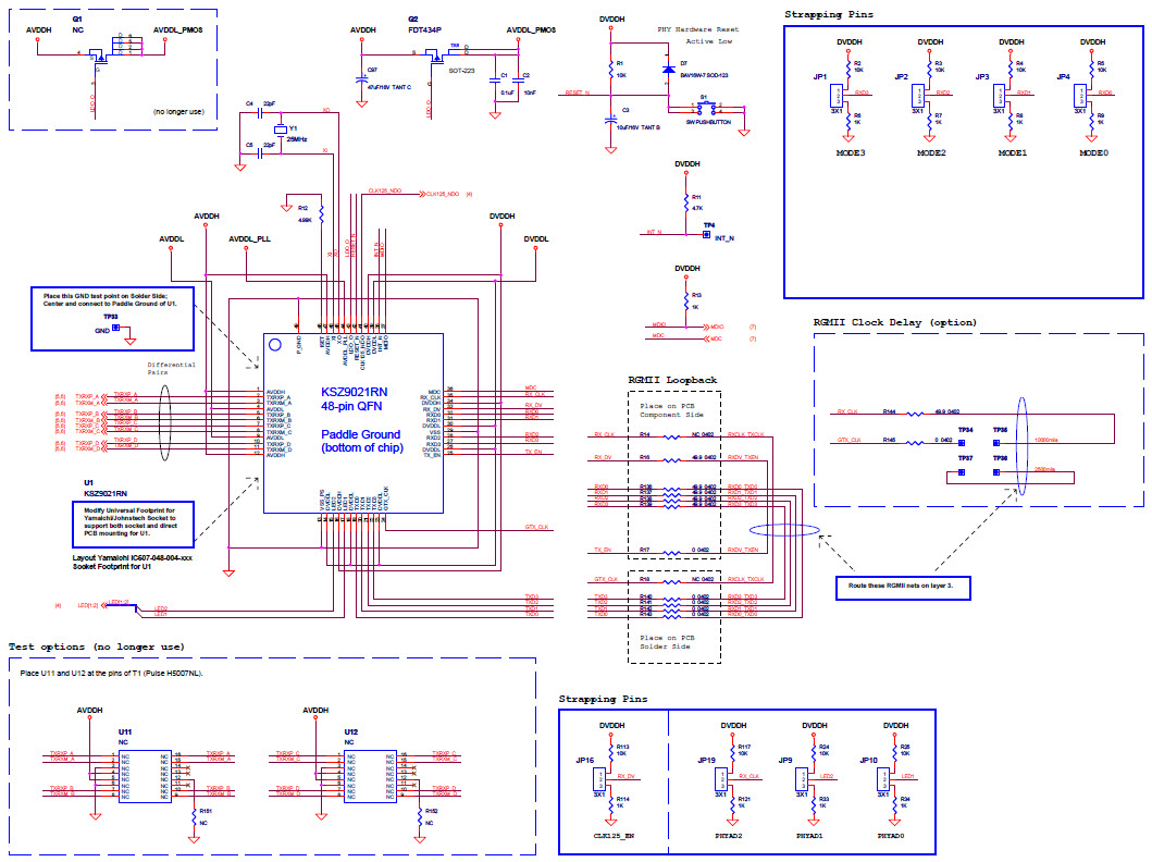
KSZ9021RN-EVAL, Evaluation Board using KSZ9021RN a completely integrated triple speed (10Base-T/100Base-TX/1000Base-T)
Referenzdesign unter Verwendung des Teils KSZ9021RN von Microchip Technology
Zugehörige Dokumente
Für Endprodukte
- Digital TV
- Ethernet Router
- Set-Top Box
Beschreibung
- KSZ9021RN-EVAL, Evaluation Board using KSZ9021RN a completely integrated triple speed (10Base-T/100Base-TX/1000Base-T) Ethernet Physical Layer Transceiver for transmission and reception of data over standard CAT-5 unshielded twisted pair (UTP) cable
Empfohlene Bauteile (12)
| Teilenummer | Hersteller | Typ | Beschreibung | |||
|---|---|---|---|---|---|---|
|
|
FT2232D-R | Future Technology Devices International Limited | USB Interface ICs | Full Speed USB to UART/FIFO USB 2.0 5V T/R 48-Pin LQFP | In den Warenkorb | |
|
|
MIC5207-5.0YM5-TR | Microchip Technology | Linear Regulators | LDO Regulator Pos 5V 0.18A 5-Pin SOT-23 T/R | In den Warenkorb | |
|
|
PCA9306DCUR | Texas Instruments | Level Translators | Voltage Level Translator 2-CH Bidirectional 8-Pin VSSOP T/R | In den Warenkorb | |
|
|
MIC29302WU | Microchip Technology | Linear Regulators | LDO Regulator Pos 1.25V to 25V 3A 6-Pin(5+Tab) TO-263 Tube | In den Warenkorb | |
|
|
MIC5207YM5-TX | Microchip Technology | Linear Regulators | LDO Regulator Pos 1.8V to 15V 0.18A 5-Pin SOT-23 T/R | In den Warenkorb | |
|
|
PCA9306DCUR-777372404 | Texas Instruments | Level Translators | Voltage Level Translator 2-CH Bidirectional 8-Pin VSSOP T/R | In den Warenkorb | |
|
|
MIC49150WR | Microchip Technology | Linear Regulators | LDO Regulator Pos 0.9V to 5V 1.5A 6-Pin(5+Tab) SPAK Tube | In den Warenkorb | |
|
|
MIC5207YM5-TR | Microchip Technology | Linear Regulators | LDO Regulator Pos 0.18A 5-Pin SOT-23 T/R | In den Warenkorb | |
|
|
MIC29302WU-TR | Microchip Technology | Linear Regulators | LDO Regulator Pos 1.25V to 25V 3A 6-Pin(5+Tab) TO-263 T/R | In den Warenkorb | |
|
|
MIC49150WR-TR | Microchip Technology | Linear Regulators | LDO Regulator Pos 0.9V to 5V 1.5A 6-Pin(5+Tab) SPAK T/R | In den Warenkorb | |
|
|
KSZ9021RNI | Microchip Technology | PHY | PHY 1-CH 10Mbps/100Mbps/1Gbps 1.2V/3.3V 48-Pin QFN EP Tray | In den Warenkorb | |
|
|
KSZ9021RN | Microchip Technology | PHY | PHY 1-CH 10Mbps/100Mbps/1Gbps 1.2V/3.3V 48-Pin QFN EP Tray | In den Warenkorb | |