LTC2460 Demo Board, 16-bit SPI Single-Ended Delta Sigma ADC with 10ppm max Internal Reference

Referenzdesign unter Verwendung des Teils LTC2460CDD von Analog Devices

Hersteller

Analog Devices
  • Anwendungskategorie
    Datenkonvertierung
  • Produkttyp
    Analog zu Digital Wandlung

Zugehörige Dokumente

Für Endprodukte

  • Data Acquisition System
  • Industrial Control
  • Instrumentation and Measurement
  • Outdoor Temperature Sensor

Beschreibung

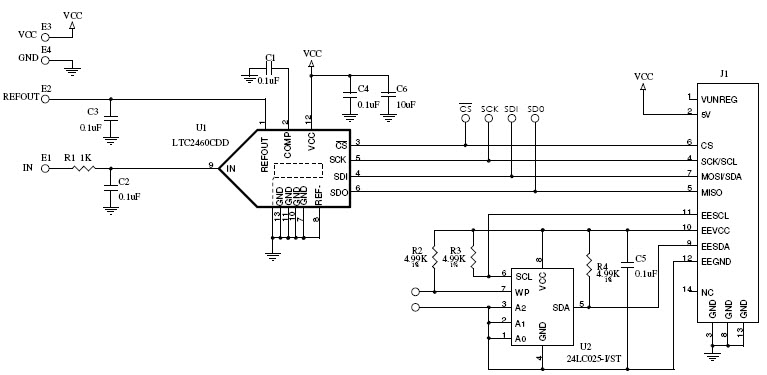
  • Demonstration circuit features the LTC2460, a 16-bit high performance DS analog-to-digital converter with an SPI interface. The input is unipolar with a range of 0-REF

Haupteigenschaften

  • ADC Resolution
    16 Bit
  • ADC Sampling Rate
    60 SPS

Aktuelles über Elektronikkomponenten­

Wir haben unsere Datenschutzbestimmungen aktualisiert. Bitte nehmen Sie sich einen Moment Zeit, diese Änderungen zu überprüfen. Mit einem Klick auf "Ich stimme zu", stimmen Sie den Datenschutz- und Nutzungsbedingungen von Arrow Electronics zu.

Wir verwenden Cookies, um den Anwendernutzen zu vergrößern und unsere Webseite zu optimieren. Mehr über Cookies und wie man sie abschaltet finden Sie hier. Cookies und tracking Technologien können für Marketingzwecke verwendet werden.
Durch Klicken von „RICHTLINIEN AKZEPTIEREN“ stimmen Sie der Verwendung von Cookies auf Ihrem Endgerät und der Verwendung von tracking Technologien zu. Klicken Sie auf „MEHR INFORMATIONEN“ unten für mehr Informationen und Anleitungen wie man Cookies und tracking Technologien abschaltet. Das Akzeptieren von Cookies und tracking Technologien ist zwar freiwillig, das Blockieren kann aber eine korrekte Ausführung unserer Website verhindern, und bestimmte Werbung könnte für Sie weniger relevant sein.
Ihr Datenschutz ist uns wichtig. Lesen Sie mehr über unsere Datenschutzrichtlinien hier.