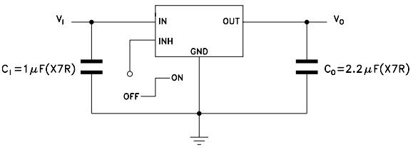
Typical Application for LD2980CM50TR SOT23-5L Ultra low drop voltage regulators compatible with low ESR inhibit output capacitors

Referenzdesign unter Verwendung des Teils LD2980CM50TR von STMicroelectronics

Hersteller

STMicroelectronics
  • Anwendungskategorie
    Spannungsversorgungen
  • Produkttyp
    Einzelausgangs Gleichspannungs Netzteil

Für Endprodukte

  • Camcorder
  • Cellular Phone
  • Compact Stereos
  • Digital Camera
  • Laptop
  • Personal Digital Assistant

Beschreibung

  • Typical Application for LD2980CM50TR SOT23-5L Ultra low drop voltage regulators compatible with low ESR inhibit output capacitors. The low drop-voltage and the ultra low quiescent current make them suitable for low noise, low power applications and in battery powered systems. The quiescent current in sleep mode is less than 1 uA when the INHIBIT pin is pulled low. Typical applications are cellular phone, laptop computer, personal digital assistant (PDA), personal stereo, camcorder and camera

Haupteigenschaften

  • Conversion Type
    DC to DC
  • Output Voltage
    5 V
  • Topology
    LDO

Aktuelles über Elektronikkomponenten­

Wir haben unsere Datenschutzbestimmungen aktualisiert. Bitte nehmen Sie sich einen Moment Zeit, diese Änderungen zu überprüfen. Mit einem Klick auf "Ich stimme zu", stimmen Sie den Datenschutz- und Nutzungsbedingungen von Arrow Electronics zu.

Wir verwenden Cookies, um den Anwendernutzen zu vergrößern und unsere Webseite zu optimieren. Mehr über Cookies und wie man sie abschaltet finden Sie hier. Cookies und tracking Technologien können für Marketingzwecke verwendet werden.
Durch Klicken von „RICHTLINIEN AKZEPTIEREN“ stimmen Sie der Verwendung von Cookies auf Ihrem Endgerät und der Verwendung von tracking Technologien zu. Klicken Sie auf „MEHR INFORMATIONEN“ unten für mehr Informationen und Anleitungen wie man Cookies und tracking Technologien abschaltet. Das Akzeptieren von Cookies und tracking Technologien ist zwar freiwillig, das Blockieren kann aber eine korrekte Ausführung unserer Website verhindern, und bestimmte Werbung könnte für Sie weniger relevant sein.
Ihr Datenschutz ist uns wichtig. Lesen Sie mehr über unsere Datenschutzrichtlinien hier.